SUZUKI

Ersatzteilkatalog SUZUKI LTF 160 K6

ZYLINDERKOPF LT
11100-02C00-000
ZYLINDER LT
11210-02C00-0F0
ZYLINDER KOPF
PDF2CATSUZUKI516001002
ZYLINDER
PDF2CATSUZUKI516001003
ZUGFEDER
09443-10022-000
ZUG. RUECKW. LT
58840-02C01-000
ZUENDSPULE LT
33410-02C00-000
ZUENDSPULE LT
33410-02C01-000
ZUENDSCHLOSS LT
37110-02C00-000
ZUENDMAGNET
PDF2CATSUZUKI516002002
ZUENDKERZE DPR7EA-9
09482-00354-000
ZAHNRAD LT NT:47
16331-20B00-000
ZAHNRAD LT NT:38
24311-02C01-000
ZAHNRAD LT NT:30
16321-19B00-000
ZAHNRAD LT NT:30
24321-02C00-000
ZAHNRAD LT NT:29
24561-18A02-000
ZAHNRAD LT NT:27
24331-02C01-000
ZAHNRAD LT NT:24
24341-02C01-000
ZAHNRAD LT NT:20
24241-02C01-000
ZAHNRAD LT NT:20
24251-18B01-000
ZAHNRAD LT NT:19
24351-18B01-000
ZAHNRAD LT NT:17
24231-02C01-000
ZAHNRAD LT NT:14
24221-02C01-000
ZAHNRAD LT
12611-35B10-000
ZAHNRAD LT
24551-35B10-000
ZAHNRAD LT
24571-18A02-000
ZAHNRAD LT
25540-24200-000
WIRING HARNESS
36610-02C60-000
WICKELFEDER LT
18142-24400-000
WELLENDICHTRING LT 42X62X7
09283-42011-000
WELLENDICHTRING LT 22.2X40X8
09284-22002-000
WELLENDICHTRING 5.5X11X8.2
09289-05015-000
WELLENDICHTRING 38X52X8
09283-38017-000
WELLE. SCHALTGABEL L:85
25411-14331-000
WELLE. SCHALTGABEL L:126
25411-18900-000
WELLE. KIPPHEBEL
12861-05201-000
WELLE LT
51650-02C00-000
WASHER 10.5X25X3.2
09160-10128-XC0
WARNHINWEIS LT
68381-02C00-000
WARNHINWEIS LT
68391-02C00-000
VORDERRAD BREMSE
PDF2CATSUZUKI516004006
VORDERRAD
PDF2CATSUZUKI516004005
VORDERER KOTFLUEGEL
PDF2CATSUZUKI516003005
VERSTAERKUNG LT RH
63140-02C00-000
VERSTAERKUNG LT LH
63150-02C00-000
VERSTAERKUNG LT
51680-02C00-000
VERSCHLUSSCHRAUBE 14X12
09247-14026-000
VERSCHLUSS LT
11410-18A10-000
VERSCHLUSS LT
12358-02C00-000
VERSCHLUSS LT
13418-02330-000
VERSCHLUSS LT
16512-22A00-000
VERSCHLUSS LT
54265-02C00-000
VERSCHLUSS
09259-20008-XC0
VERSCHLUSS
25381-37401-000
VERGASER LT
13200-02C03-000
VERGASER LT
13200-02C04-000
VERGASER
PDF2CATSUZUKI516001010
VERBINDER
09367-08004-000
VENTILSTIFT
12932-24400-000
VENTILFUEHRUNG OS:0.3
11115-05270-000
VENTIL TR413
43130-78030-000
VENTIL LT
12911-02C00-000
VENTIL LT
12912-02C00-000
VENTIL LT
13520-02C01-000
UNTERLEGSCHEIBE
12747-05202-000
UNTERLAGE
09320-12050-000
UNTERLAGE
09320-12102-000
TUBE.OUTLET
13881-02C01-000
TREIBSTOFF TANK
PDF2CATSUZUKI516001018
TRAEGER LT RH
51530-02C00-000
TRAEGER LT LH
51540-02C00-000
TRAEGER LT
13791-02C00-000
TRAEGER LT
13810-02C00-000
TRAEGER LT
46441-02C10-000
TRAEGER LT
46442-02C10-000
TRAEGER LT
53210-02C00-000
TRAEGER LT
56172-02C00-000
TRAEGER LT
58871-02C00-000
TRAEGER LT
58872-02C00-000
TRAEGER
PDF2CATSUZUKI516003004
TASCHE LT 150X296
94980-01C01-000
TASCHE LT
94980-01C02-000
TANKDECKEL (NICHT E22)
44200-19A01-000
TANK LT
44110-02C00-000
SWITCH ASSY.IGNITION
37110-02C01-000
SWITCH ASSY.HANDLE.L LH
37400-02C11-000
STUTZEN
44199-19A00-000
STOSSDAEMPFER LT BLACK
52100-02C00-019
STOSSDAEMPFER LT BLACK
62100-02C00-019
STOPFEN
09247-10009-000
STOPFEN
09247-14015-000
STIFT LT
13823-20400-000
STIFT L:11.8
09261-02008-000
STIFT 6.2X8X11
09206-08001-000
STIFT 5X8
09261-05005-000
STIFT
04211-13189-000
STIFT
04221-04069-000
STIFT
09200-060B3-000
STIFT
09200-07005-000
STIFT
09206-13009-000
STIFT
09261-05003-000
STEUERKETTE 98LE
12760-44A00-000
STEUERKETTE
PDF2CATSUZUKI516001009
STEUEREINHEIT
32900-02C20-000
STELLSCHRAUBE LT
57441-05A00-000
STELLSCHRAUBE LT
57441-05A01-000
STEHBOLZEN L:147
09108-08170-000
STEHBOLZEN L:142
09108-08222-000
STEHBOLZEN 8X22
09108-08207-000
STEHBOLZEN
01421-0616A-000
STEHBOLZEN
01421-0620B-000
STARTERSEIL LT
18200-24400-000
STARTERMOTOR
31100-02C10-000
SPRITZSCHUTZ LT RH
53311-02C00-000
SPRITZSCHUTZ LT LH
53312-02C00-000
SPRENGRING
09380-31002-000
SPRENGRING
09381-10004-000
SPRENGRING
09381-14001-000
SPLINTBOLZEN
09200-05001-000
SPLINT
04111-1620A-000
SPLINT
04111-2015A-000
SPLINT
04111-2020A-000
SPLINT
04111-4030A-000
SPLINT
04111-4040A-000
SPANNER.STEUERKETTE
12830-12FB0-000
SPANNER. STEUERKETTE
12830-32452-000
SITZBANK
45100-02C00-58P
SITZ
PDF2CATSUZUKI516003009
SIMMERRING
09285-12006-000
SIMMERRING
09285-22006-000
SICHERUNGSSCHEIBE 18.3X31.5X1.80
09164-18007-000
SICHERUNGSSCHEIBE
08321-0106A-000
SICHERUNGSSCHEIBE
08321-0110B-000
SICHERUNGSSCHEIBE
09162-10008-000
SICHERUNGSSCHEIBE
09164-20007-000
SICHERUNGSKASTEN
36740-04701-000
SICHERUNGSBLECH
09164-18001-000
SICHERUNG 15A
09481-15101-000
SHUTZBUEGEL LT BLACK
43590-02C00-019
SEKUNDAERWELLE LT
24131-35B10-000
SEEGERRING
09380-22006-000
SEEGERRING
09380-25003-000
SCHWINGE LT SILVER
61000-02C00-13L
SCHWINGE LT BLACK
52410-02C00-019
SCHWINGE LT BLACK
52420-02C00-019
SCHWIMMERACHSE
13254-01010-000
SCHWIMMER
13250-05230-000
SCHUTZ LT
61390-02C00-000
SCHRAUBSCHELLE L:80
09404-06432-000
SCHRAUBSCHELLE
09404-06039-000
SCHRAUBKLEMME
09404-06036-000
SCHRAUBKLEMME
09404-06434-000
SCHRAUBE LT 10X40
61181-02C00-000
SCHRAUBE LT
09125-05130-000
SCHRAUBE LT
13267-24500-000
SCHRAUBE LT
23223-18A00-000
SCHRAUBE LT
25352-11010-000
SCHRAUBE CHROME 6X60
01550-0660A-000
SCHRAUBE 8X80
09103-08116-000
SCHRAUBE 8X50
09104-08034-000
SCHRAUBE 8X30
09100-08260-000
SCHRAUBE 8X22
09119-08073-000
SCHRAUBE 8X20
09100-08259-000
SCHRAUBE 6X8
09100-06157-000
SCHRAUBE 6X55
09119-06064-000
SCHRAUBE 6X45
09103-06165-000
SCHRAUBE 6X35
09103-06108-000
SCHRAUBE 6X35
09119-06063-000
SCHRAUBE 6X32
09103-06135-000
SCHRAUBE 6X12
09103-06236-000
SCHRAUBE 6X12
09125-06110-000
SCHRAUBE 5X12
02142-0512B-000
SCHRAUBE 12X28
09103-120D9-000
SCHRAUBE 10X80
09103-10173-000
SCHRAUBE 10X45
61181-02C10-000
SCHRAUBE 10X25
09119-10031-000
SCHRAUBE 10X23
09119-10048-000
SCHRAUBE 10X132
09103-10202-000
SCHRAUBE (8X75)
09112-08010-000
SCHRAUBE (10X90)
09103-10061-000
SCHRAUBE (10X195)
09103-10118-000
SCHRAUBE
01500-0616B-000
SCHRAUBE
01500-0620A-000
SCHRAUBE
01500-0630A-000
SCHRAUBE
01547-0620B-000
SCHRAUBE
01547-0625B-000
SCHRAUBE
01547-0630B-000
SCHRAUBE
01547-0635B-000
SCHRAUBE
01547-0640A-000
SCHRAUBE
01547-0645B-000
SCHRAUBE
01547-0650A-000
SCHRAUBE
01547-0655B-000
SCHRAUBE
01547-0660A-000
SCHRAUBE
01547-06753-000
SCHRAUBE
01547-0675A-000
SCHRAUBE
01547-0685A-000
SCHRAUBE
01550-05163-000
SCHRAUBE
01550-0610A-000
SCHRAUBE
01550-0612B-000
SCHRAUBE
01550-0620B-000
SCHRAUBE
01550-0635B-000
SCHRAUBE
01550-08123-000
SCHRAUBE
01550-0812A-000
SCHRAUBE
01550-0816B-000
SCHRAUBE
01550-08207-000
SCHRAUBE
01550-0825A-000
SCHRAUBE
01550-0840B-000
SCHRAUBE
01550-0880B-000
SCHRAUBE
01570-0612A-000
SCHRAUBE
01570-0825A-000
SCHRAUBE
01570-08553-000
SCHRAUBE
01580-06103-000
SCHRAUBE
01580-06163-000
SCHRAUBE
01580-0616A-000
SCHRAUBE
01580-0630A-000
SCHRAUBE
01580-0816A-000
SCHRAUBE
02112-0306B-000
SCHRAUBE
02112-0512A-000
SCHRAUBE
02112-05407-000
SCHRAUBE
02112-05457-000
SCHRAUBE
02112-0610B-000
SCHRAUBE
02112-0620A-000
SCHRAUBE
02112-1620B-000
SCHRAUBE
02112-3616A-000
SCHRAUBE
02112-3620A-000
SCHRAUBE
02112-7520A-000
SCHRAUBE
02112-7612A-000
SCHRAUBE
02122-0612B-000
SCHRAUBE
02122-0640B-000
SCHRAUBE
02132-05307-000
SCHRAUBE
02142-05103-000
SCHRAUBE
02142-0510A-000
SCHRAUBE
02142-0520B-000
SCHRAUBE
02142-0610B-000
SCHRAUBE
02142-0616A-000
SCHRAUBE
02142-0620B-000
SCHRAUBE
02162-0625B-000
SCHRAUBE
03211-04306-000
SCHRAUBE
03241-1512B-000
SCHRAUBE
09103-10201-000
SCHRAUBE
09103-10238-XC0
SCHRAUBE
09106-08095-000
SCHRAUBE
09111-06060-000
SCHRAUBE
09116-06025-000
SCHRAUBE
09118-06017-000
SCHRAUBE
09118-06020-000
SCHRAUBE
09118-08136-000
SCHRAUBE
09119-12021-000
SCHRAUBE
09125-05066-000
SCHRAUBE
09136-06004-000
SCHRAUBE
09247-12103-000
SCHRAUBE
13601-04148-000
SCHRAUBE
13601-05230-000
SCHRAUBE
31280-19F00-000
SCHMIERNIPPEL
08351-2100A-000
SCHLUESSEL
37142-19B01-000
SCHELLE
09402-46208-000
SCHEINWERFERGLAS
35712-46710-000
SCHEINWERFERGEHAEUSE
PDF2CATSUZUKI516004001
SCHEINWERFER
PDF2CATSUZUKI516002005
SCHEIBENSATZ
31170-19B10-000
SCHEIBE L:65
11610-49300-000
SCHEIBE FEDERSTAHL
08211-20323-000
SCHEIBE 8.5X18X1
09160-08043-000
SCHEIBE 6.5X22X1.2
09169-06046-000
SCHEIBE 6.5X20X1.2
09160-06077-000
SCHEIBE 6.5X14X2.3
09160-06127-000
SCHEIBE 5.5X18X1
09160-05045-000
SCHEIBE 30X44X10
09167-30007-000
SCHEIBE 25.5X35X1
09167-25016-000
SCHEIBE 25.1X40X1.5
09167-25017-000
SCHEIBE 25.1X37X2.5
09169-25001-000
SCHEIBE 22X36X1.0
09181-22251-000
SCHEIBE 22X28X1.0
09167-22011-000
SCHEIBE 10X20X1.0
09181-10195-000
SCHEIBE (5.5X16X1.2)
09160-05037-000
SCHEIBE (25.1X41X1.5)
09167-25013-000
SCHEIBE
08211-12223-000
SCHEIBE
08211-15341-000
SCHEIBE
08211-25351-000
SCHEIBE
08212-06121-000
SCHEIBE
08322-0105B-000
SCHEIBE
08322-0106A-000
SCHEIBE
08322-0108A-000
SCHEIBE
08322-0110B-000
SCHEIBE
08322-01167-000
SCHEIBE
09160-05501-000
SCHEIBE
09160-06019-000
SCHEIBE
09160-06109-000
SCHEIBE
09160-06502-000
SCHEIBE
09160-08039-000
SCHEIBE
09160-08146-000
SCHEIBE
09160-12011-A05
SCHEIBE
09160-12017-000
SCHEIBE
09160-14009-000
SCHEIBE
09161-10007-000
SCHEIBE
09164-12021-000
SCHEIBE
09164-18004-000
SCHEIBE
09167-22012-000
SCHEIBE
09169-06026-000
SCHEIBE
13291-29900-000
SCHEIBE
13382-47010-000
SCHEIBE
56275-34401-000
SCHALTWALZE LT
25310-35B02-000
SCHALTWALZE LT
25320-18A04-000
SCHALTKLINKE NR.2
25324-34201-000
SCHALTKLINKE NR.1
25323-34201-000
SCHALTHEBEL LT
25520-02C00-000
SCHALTHEBEL LT
25600-02C00-000
SCHALTGABEL LT
25211-18A00-000
SCHALTGABEL LT
25221-18A00-000
SCHALTGABEL LT
25231-18A01-000
SCHALTGABEL LT
25241-18A01-000
SCHALTEREINHEIT
37400-02C12-000
SCHALTER LT
37600-19B03-000
SCHALTER
37740-25C01-000
RUECKSTOSS STARTER OPTIONAL
PDF2CATSUZUKI516001012
RUECKLICHT
PDF2CATSUZUKI516002006
RITZEL NT:32
12741-05201-000
RITZEL LT NT:11
27511-35B00-000
RING LT
13898-02C00-000
RING LT
37576-19B01-000
RING LT
64214-02C00-000
RING
13387-47010-000
RELAIS
38740-24X50-000
REIFEN LT AT22X10-8 GOLDEN BOY
65100-02C30-000
REIFEN LT AT20X7-8 GOLDEN BOY
55100-02C30-000
REIBSCHEIBE. KUPPLUNG
21451-01B40-000
RATSCHE. SATZ
18130-24400-000
RAHMEN BLACK
41100-02C03-019
RAHMEN ABDECKUNG
PDF2CATSUZUKI516003001
RAD LT
18120-24400-000
PRIMAERWELLE LT NT:12
24121-18A03-000
PRIMAERRAD LT NT:19
21110-02C01-000
PLUG, DRAIN
13878-09F00-000
PLEUEL LT
12161-02C00-000
PLATTE LT LH
54811-02C00-000
PLATTE LT
27641-35B00-000
PLATTE LT
45119-02C00-000
PLATTE LT
95210-02C00-000
PLATTE LT
95220-02C00-000
PLATTE
13373-46710-000
PLAETTCHEN LT RH
54511-02C00-000
PLAETTCHEN LT
13259-18900-000
PLAETTCHEN LT
13373-05230-000
PLAETTCHEN LT
54492-02C00-000
PLAETTCHEN LT
64492-02C00-000
PEDAL. BRAKE (BLACK)
43110-02C10-019
PASSTIFT L:16
04211-11169-000
PASSTIFT 4X8
04221-04089-000
OELSIEB
16520-05202-000
OELSCHAUGLAS
11971-33210-000
OELPUMPE
16400-01412-000
OELFILTER LT
16510-25C00-000
OEL PUMPE BENZIN PUMPE
PDF2CATSUZUKI516001014
O.RING
13246-43010-000
O.RING
13246-43011-000
O-RING, D.3.1,ID:16.8
09280-17003-000
O-RING ID:13.8, D:2.50
09280-14011-000
O-RING D:3.1, ID:24.4
09280-25002-000
O-RING D:1.9, ID:5.7
09280-06005-000
O-RING D:1.9, ID:16.6
09280-17004-000
O-RING D:1.9, ID:13.8
09280-14004-000
O-RING D:1.9, ID:12.6
09280-12009-000
O-RING D:1.7, ID:14.8
64443-24300-000
O-RING (D:3.2,ID:15.8)
09280-16008-000
O-RING (D:3.0, ID:29.5)
09280-30001-000
O-RING (D:2.5, ID:71.9)
09280-70009-000
O-RING (D:2.5, ID:21.0)
09280-21008-000
O-RING (D:2.4, ID:60.5)
09280-60005-000
O-RING (D:2.4, ID:53.6)
09280-54002-000
O-RING (D:2.4 ,ID:26.2)
09280-26005-000
O-RING (D:2.3, 29.7)
09280-30008-000
O-RING (D:2.2,ID:11.8)
09280-12006-000
O-RING (D:1.9,ID:9.8)
09280-10016-000
O-RING (D:1.9,ID:8.6)
09280-09005-000
O-RING (D:1.9,ID:13.0)
09280-13004-000
O-RING (D:1.2,ID:4.0)
09280-04004-000
O-RING
13278-02330-000
O-RING
13295-29900-000
O-RING
13295-33010-000
O-RING
31143-49040-000
O-RING
31156-13E00-000
O-RING
31264-13E00-000
O RING.PILOT AIR SCREW
13295-29901-000
NOCKENWELLE VENTIL
PDF2CATSUZUKI516001008
NOCKENWELLE LT
12711-02C10-000
NOCKEN LT
54441-02C00-000
NOCKEN LT
64440-24402-000
NOCKEN
25322-31310-000
NIPPEL
09209-13006-000
NIET
09223-04001-000
NEUTRALSCHALTER
37720-24502-000
NADELVENTIL LT
13370-02C00-000
NADELLAGER
09263-28027-0B0
NADELKAEFIG 17X3X14
09263-17026-000
NADELDUESE LT 0-1
09494-00540-000
NABE LT SILVER
54111-02C10-13L
NABE LT
64110-02C00-000
MOTOR GETRIEBE
PDF2CATSUZUKI516001
MUTTER RH THREAD
51283-21G00-000
MUTTER LT
57442-05A00-000
MUTTER LT
57442-05A01-000
MUTTER LH THREAD
09140-10027-000
MUTTER 6 MM
08319-31067-000
MUTTER
08310-00067-000
MUTTER
08310-0006A-000
MUTTER
08310-0008B-000
MUTTER
08310-0010B-000
MUTTER
08313-1005B-000
MUTTER
08313-1006B-000
MUTTER
08313-2006A-000
MUTTER
08314-4010B-000
MUTTER
08314-4016B-000
MUTTER
08316-1008B-000
MUTTER
08316-1010B-000
MUTTER
08316-2010B-000
MUTTER
08318-11056-000
MUTTER
08318-1105A-000
MUTTER
08319-2106A-000
MUTTER
08319-2110B-000
MUTTER
08319-3105A-000
MUTTER
08319-3108A-000
MUTTER
08319-31107-000
MUTTER
08319-3110B-000
MUTTER
08319-3112A-000
MUTTER
08361-1508A-000
MUTTER
08361-3506A-000
MUTTER
09140-05006-000
MUTTER
09140-06011-000
MUTTER
09140-06023-000
MUTTER
09140-18008-000
MUTTER
09140-18012-000
MUTTER
09140-20001-000
MUTTER
09140-32001-000
MUTTER
09141-18008-000
MUTTER
09146-06003-000
MUTTER
09148-05019-000
MUTTER
09150-06010-000
MUTTER
09159-08074-000
MUTTER
09159-14019-000
MUTTER
09159-32002-000
MUTTER
12843-32400-000
MUTTER
31792-18A00-000
MOTORSCHUTZ LT BLACK
42510-02C01-019
MITNEHMER LT
24581-18A00-000
LUFTFILTER LT
13700-02C01-000
LUFTFILTER LT
13780-02C00-000
LUFTFILTER
PDF2CATSUZUKI516001011
LUFTDUESE #16
09493-32006-000
LEUCHTE LT
36320-02C00-000
LEUCHTE LT
36360-02C00-000
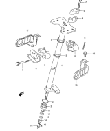
LENKWELLE
PDF2CATSUZUKI516004002
LENKKOPF LT LH THREAD
51270-02C00-000
LENKKOPF
51260-43G00-000
LENKERKLEMME BLACK
56211-27200-291
LENKERGEWICHT
56271-33400-000
LENKER LT BLACK
56110-02C01-291
LEITUNG LT 6X10X980
64275-02C00-000
LEITUNG LT
13385-41B00-000
LEITUNG LT
13850-02C00-000
LEITUNG LT
13881-02C00-000
LEITUNG LT
13891-02C00-000
LEITUNG L:780
33680-16A10-000
LEITUNG 5X8X600
09359-50823-600
LEITUNG 5X8.2X600 L:600->290
09352-50823-600
LEITUNG
09352-50005-600
LEITUNG
09359-50824-600
LEITUNG
33680-16A11-000
LAUFRING LT
21631-19B11-000
LAGER LT 35X72X17
09262-35045-000
LAGER LT 28X68X18
09262-28017-000
LAGER LT 22X28X20
09263-22037-000
LAGER LT 15X35X11
09262-15014-000
LAGER LT
08120-62037-000
LAGER 30X62X16
09262-30084-000
LAGER 22X50X14
09262-22018-000
LAGER 20X42X12
09262-20059-000
LAGER 12X28X8.0
09262-12001-000
KURBELWELLE LT
12200-02C00-000
KURBELWELLE
PDF2CATSUZUKI516001006
KURBELGEHAEUSE LT
11301-35861-000
KURBELGEHAEUSE ABDECKUNG
PDF2CATSUZUKI516001005
KURBELGEHAEUSE
PDF2CATSUZUKI516001004
KUPPLUNG LT
21273-19B10-000
KUPPLUNG LT
21500-02C02-000
KUPPLUNG LT
21500-02C03-000
KUPPLUNG
PDF2CATSUZUKI516001015
KUGELLAGER 35X62X14
09262-35032-000
KOTFLUEGEL.VORN YELLOW
53111-02C11-YU1
KORB. KUPPLUNG LT NT:71
21200-02C02-000
KOPFDICHTUNG
11141-02C01-000
KOLBENRING
12140-02C10-000
KOLBENBOLZEN LT
12151-18902-000
KOLBEN. SATZ LT OS:0.5
12100-02C00-050
KOLBEN
12111-02C01-0F0
KOHLENHALTER
31132-33E00-000
KOHLE
31130-13E00-000
KNOPF
58860-18A00-000
KLEMMSCHELLE LT
09462-000E6-000
KLEMMSCHELLE LT
14190-02C00-000
KLEMMRING
09402-42208-000
KLEMME LT
45210-02C00-000
KLEMME L:165
09407-18402-000
KLEMME L:125
09407-14403-000
KLEMME
09401-14404-000
KLEMME
09402-48208-000
KLEMME
09403-06310-000
KLEMMDRAHT
09401-08401-000
KLAMMER L:235
09407-25401-000
KLAMMER
09401-14301-000
KLAMMER
13826-38300-000
KIPPHEBEL
12850-25C00-000
KEY, BLANK TYPE F
37146-19B30-000
KEY, BLANK TYPE E
37146-19B20-000
KEY, BLANK TYPE D
37146-19B10-000
KEY, BLANK TYPE C
37146-19B00-000
KETTENSPANNER LT
61410-35B00-000
KETTENSPANNER
12811-05220-000
KETTENSPANNER
12811-05221-000
KETTENSCHUTZ LT
61310-02C00-000
KETTENRAD LT NT:39
64511-02C01-000
KETTE LT RK520SMO-Z9
27600-34A40-084
KETTE
27600-01C10-108
KERZENSTECKER
33510-43010-000
KERN. KUPPLUNG LT
21410-18A00-000
KEIL
08341-31039-000
KAPPE LT
13740-02C00-000
KAPPE LT
31861-02C00-000
KAPPE LT
33624-02C00-000
KAPPE LT
37142-19B00-000
KAPPE LT
43978-02C00-000
KAPPE LT
54725-39D00-000
KAPPE ANLASSERKABEL
31861-48B10-000
KAPPE
09241-22002-000
KAPPE
09250-06005-000
KAPPE
11175-18920-000
KAPPE
13681-04010-000
KAPPE
13681-04011-000
KAPPE
13878-09F01-000
KAPPE
16523-05200-000
KAPPE
56274-33400-000
KAEPPCHEN LT
13680-19B01-000
KABELBAUM
PDF2CATSUZUKI516002007
KABELAST FAHRLICHT
35171-36X50-000
KABEL LT
33860-02C00-000
KABEL
33850-44B01-000
IDEALRING
08332-1106B-000
IDEALRING
08332-1110A-000
IDEALRING
13394-40D20-00
HUELSE
09180-08007-000
HUBZAPFEN
12211-05231-000
HUBWANGE LT
12221-02C00-000
HUBWANGE
12261-02C00-000
HINWEIS LT
36367-02C00-000
HINWEIS LT
36367-02C10-000
HINWEIS LT
37139-02C01-000
HINWEIS LT
68392-24220-000
HINWEIS LT
68392-24221-000
HINTERRAD
PDF2CATSUZUKI516004007
HINTERER SCHWINGARM
PDF2CATSUZUKI516003010
HINTERER KOTFLUEGEL
PDF2CATSUZUKI516003008
HINTERE BREMSE
PDF2CATSUZUKI516003002
HEBEL LT RH
54451-02C00-000
HEBEL LT LH
54461-02C00-000
HEBEL LT
23220-18A00-000
HEBEL LT
23225-18A01-000
HEBEL LT
25621-02C00-000
HEBEL LT
43120-02C00-000
HEBEL LT
57151-24301-000
HEBEL
25331-37400-000
HEBEL
64451-02C0V-000
HAUPTDUESE 87.5
09491-87005-000
HANDSTART
18000-02820-000
HALTER
09320-15008-000
HALTER
25341-40001-000
HALTEPLATTE RECHTS NO.2
24742-18A00-000
HALTEGUMMI
09462-00034-000
HALTEBUEGEL LT BLACK
43980-02C00-019
HALTEBUEGEL LT
43990-02C00-019
HAKENSCHLUESSEL
09822-00004-000
HAHN. KRAFTSTOFF
44300-22A01-000
GLÜHBIRNE 3,4
09471-12001-000
GUMMIMANSCHETTE
58842-18A00-000
GUMMI LT
25652-24401-000
GUMMI LT
44261-22A00-000
GUMMI 25X29X8
09300-25020-000
GUMMI 170X95X3
33651-37000-000
GUMMI
09320-08013-000
GUMMI
09320-08509-000
GUMMI
09320-11008-000
GUMMI
09320-12016-000
GUMMI
09321-08009-000
GUMMI
09321-10007-000
GUMMI
09321-10012-000
GUMMI
13681-33010-000
GUMMI
33542-38B00-000
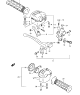
GRIFFHEBEL
PDF2CATSUZUKI516003007
GRIFFGUMMI LT BLACK
57211-22A01-291
GRIFF
PDF2CATSUZUKI516003006
GLEITSCHIENE
61273-22A00-000
GLEICHRICHTER
32800-19B11-000
GLAS LT
36321-43000-000
GLAS LT
36361-43200-000
GEWICHT. LENKER
56200-02812-000
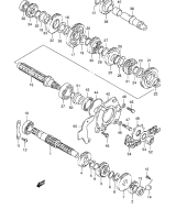
GETRIEBE
PDF2CATSUZUKI516001016
GESTAENGE LT
43300-02C00-000
GESTAENGE LT
51281-02C00-000
GESTAENGE L:59.5
25525-44110-000
GEPAECKTRAEGER LT
46310-02C10-000
GEPAECKTRAEGER LT
46410-02C10-000
GEHAEUSE LT SILVER
64720-02C01-13L
GEHAEUSE LT BLACK
51811-02C00-291
GASZUG
58300-02C02-000
GASSCHIEBER LT
13551-02C00-000
GASDREHGRIFF
57100-39DB0-000
GANGWECHSEL
PDF2CATSUZUKI516001017
FAHRGESTELL
PDF2CATSUZUKI516004
FUSSSTUETZE
PDF2CATSUZUKI516003003
FUSSRASTE LT BLACK
43510-02C10-019
FUSSRASTE LT BLACK
43520-02C10-019
FUEHRUNG LT
23211-18A02-000
FUEHRUNG LT
23231-18A00-000
FUEHRUNG LT
61380-02C00-000
FUEHRUNG
12771-05200-000
FREILAUF. STARTER LT
12600-02831-000
FELGE LT 8X8.0AT SILVER
65310-02C00-13L
FELGE LT 8X5.5AT SILVER
55310-02C00-13L
FEDERTELLER
12931-19B01-000
FEDERSTECKER
13671-05A40-000
FEDER LT
12921-02C00-000
FEDER LT
13573-18901-000
FEDER LT
43211-02C00-000
FEDER LT
45135-24301-000
FEDER LT
54484-02C00-000
FEDER LT
54494-02C00-000
FEDER LT
55420-02C00-000
FEDER LT
64484-02C00-000
FEDER
09440-11018-000
FEDER
09440-13052-000
FEDER
09440-19022-000
FEDER
09443-06053-000
FEDER
09443-06088-000
FEDER
09443-07025-000
FEDER
09443-13017-000
FEDER
09444-26025-000
FEDER
13268-35010-000
FEDER
13268-47070-000
FEDER
13388-47010-000
FEDER
13417-01010-000
FEDER
31135-31300-000
ELEKTRIK
PDF2CATSUZUKI516002
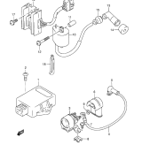
ELEKTRIK
PDF2CATSUZUKI516002003
EMBLEM LT
68151-02CA0-JK9
EMBLEM LT
68398-24410-000
EMBLEM LT
68398-244A0-97V
EINSTELLSPANNER
12838-45001-000
EINSTELLSCHRAUBE 1 5/8
13279-47070-000
EINSTELLSCHRAUBE
12842-32411-000
DURCHFUEHRUNG LT
46455-02C10-000
DURCHFUEHRUNG LT
46456-02C10-000
DUESENNADEL 5FU96-3
13383-02C01-000
DUESE 22.5
09492-22008-000
DUESE #14
09493-28010-000
DRUCKSTANGE LT
23121-18A03-000
DRUCKPLATTE
21462-24501-000
DRUCKFEDER
09440-04003-000
DRUCKFEDER
09440-04010-000
DRUCKFEDER
09440-05007-000
DRUCKFEDER
09440-09004-000
DRUCKFEDER
09440-18002-000
DISTANZSTUECK LT L:60
11610-02CA0-000
DISTANZSTUECK LT L:25.1
27531-35B10-000
DISTANZSTUECK LT 36.3X42.7X140
64731-02C00-000
DISTANZSTUECK LT 17.6X22.2X16
54731-02C00-000
DISTANZSTUECK LT
11621-35B00-000
DISTANZSTUECK LT
12359-18A02-000
DISTANZSTUECK LT
46392-02C10-000
DISTANZSTUECK LT
51251-18901-000
DISTANZSTUECK LT
54741-189A0-000
DISTANZSTUECK LT
61251-41B00-000
DISTANZSTUECK LT
61282-02C00-000
DISTANZSTUECK 8X16
09180-13006-000
DISTANZSTUECK 8.5X12X18.5
09180-08195-000
DISTANZSTUECK 6.5X9X9
09180-06263-000
DISTANZSTUECK 6.5X9X18
09180-06271-000
DISTANZSTUECK 6.1X8X9.5
09180-06248-000
DISTANZSTUECK 22X28X23
09180-22035-000
DISTANZSTUECK
09180-06120-000
DISTANZSTUECK
09180-08141-000
DISTANZSTUECK
61554-31G00-000
DISTANZSCHEIBE 22X28X1.0
09181-22139-000
DISTANZSCHEIBE 20X30X1 LH
09181-20195-000
DIODE
32800-16A00-000
DICHTUNGSSATZ
11401-02846-000
DICHTUNGS SATZ
PDF2CATSUZUKI516001001
DICHTUNG LT
18299-18A00-000
DICHTUNG (8,5X17X2,3)
09168-08021-000
DICHTUNG (8,2X14X1)
09168-08016-000
DICHTUNG (5.8X13X1.2)
09168-06023-000
DICHTUNG
11482-02C10-000
DICHTUNG
11483-02C10-000
DICHTUNG
12837-32410-000
DICHTUNG
13251-05320-000
DICHTUNG
14181-02C01-000
DICHTUNG
14181-18C00-000
DICHTUNG
33541-47D00-000
DICHTUNG
35627-43010-000
DICHTUNG
35713-48510-000
DICHTSCHEIBE (8,2X14X1,6)
09168-08015-000
DICHTSCHEIBE
09168-14004-000
DICHTRING LT 42X59X10.2
64135-02C00-000
DICHTRING LT 27X38X8.5
51678-24500-000
DICHTRING LT 22X35X7
09289-22008-000
DICHTRING LT 133X158X15.8
54124-02C00-000
DICHTRING 28.6X38X10.5
51255-18900-000
DICHTRING 25.4X35X13
51662-18900-000
DICHTRING 22X29X4
09285-22001-000
DICHTRING 12.1X16.2X3.7
09168-12002-000
DECKEL. KUPPLUNG LT
11341-35B00-000
DECKEL LT
11360-02C00-000
DECKEL
61262-22A00-000
DECKEL
61262-22A01-000
DAEMPFER LT RH
53145-02C00-000
DAEMPFER LT LH
53146-02C00-000
DAEMPFER LT
51827-02C00-000
DAEMPFER LT
61396-19A01-000
DAEMPFER LT
61397-02C00-000
DAEMPFER
09320-06503-000
DAEMPFER
09320-12033-000
CHOKEZUG
58400-02C01-000
CHOKEKOLBEN LT
13411-18910-000
CHOKEKOLBEN
13439-18911-000
CHOKEHEBEL LT
37571-19B01-000
CAP ASSY
13261-04700-000
C-RING
09390-22002-000
BUCHSE LT 22X29X43
61261-41B00-000
BUCHSE LT
24333-18A00-000
BUCHSE LT
64160-24400-000
BUCHSE L:14
04211-11149-000
BUCHSE 10X28.1X28
09319-10049-000
BUCHSE
09180-08067-000
BUCHSE
09300-20034-000
BUCHSE
24332-24510-000
BUCHSE
51236-40B00-000
BUCHSE
51661-40B00-000
BUCHSE
57623-24B00-000
BREMSZUG LT
58100-02C01-000
BREMSTROMMEL LT
64120-24401-000
BREMSHEBEL LT
57311-02C00-000
BREMSBELAG. SATZ LT
54400-02810-000
BREMSBELAG. PAAR
64400-02830-000
BORDWERKZEUG LT
09800-21019-000
BORDWERKZEUG LT
09800-21075-000
BOLZEN 6X10.5
09111-06032-000
BOLZEN (5X15.5)
09209-05011-000
BOLZEN
12812-32400-000
BIRNE 21/5 W. P21 12V.5W
09471-12083-000
BIRNE 12V 45/45W
09471-12080-000
BELAGSCHEIBE. KUPPLUNG
21441-22A01-000
BATTERIE YB9A-A
33610-02C11-000
BATTERIE 12V,9AH
33610-02C10-000
BATTERIE
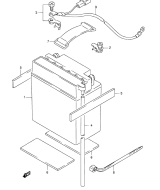
PDF2CATSUZUKI516002004
BAND L:120
09407-12402-000
AUSRUECKSCHEIBE LT
21465-24500-000
AUSRUECKPLATTE LT
23250-24500-000
AUSPUFF LT
14310-02C01-000
AUSPUFF
PDF2CATSUZUKI516001013
AUSGLEICH LT
57313-02C00-000
AUFNAHME LT BLACK
41911-18A00-019
AUFNAHME LT
12933-19B00-000
AUFNAHME LT
23224-18A00-000
AUFNAHME LT
51670-24500-000
AUFNAHME LT
64726-19B00-000
AUFNAHME
64726-40B00-000
AUFHAENGUNGSARM
PDF2CATSUZUKI516004003
ARM GELENK
PDF2CATSUZUKI516004004
ANZEIGE. LUFTDRUCK
96200-18A02-000
ANSCHLUSS LT
33621-02C00-000
ANSCHLUSS LT
33622-02C00-000
ANSCHLAG LT
24741-18A00-000
ANSCHLAG LT
24751-35B10-000
ANSCHLAG LT
25350-18A00-000
ANSCHLAG
25351-11010-000
ANSCHLAG
25671-01011-000
ANSAUGSTUTZEN
13110-02C01-000
ANLASSERRELAISE
31800-49100-000
ANLASSER KUPPLUNG
PDF2CATSUZUKI516001007
ANLASSER
PDF2CATSUZUKI516002001
ALETA TRASERA (AMARILLO) YELLOW
63111-02C21-YU1
ACHSSCHENKEL RH
51230-02C01-000
ACHSSCHENKEL LH
51240-02C01-000
ACHSE LT
25510-18A01-000
ACHSE LT
61211-02C00-000
ACHSE
64710-02C01-000
ABSTANDSGUMMI
09320-08021-000
ABSTANDSGUMMI
09320-08510-000
ABSTANDSBLECH
09320-09018-000
ABLAUFSCHRAUBE
13247-13A00-000
ABDICHTRING
13796-20400-000
ABDECKUNG LT SILVER
64130-02C00-13L
ABDECKUNG LT BLACK
53118-02C00-291
ABDECKUNG LT BLACK
53119-02C00-291
ABDECKUNG LT BLACK
56171-02C00-291
ABDECKUNG LT BLACK
63171-02C00-291
ABDECKUNG LT RH
63330-02C10-291
ABDECKUNG LT LH
63340-02C10-291
ABDECKUNG LT
14170-02C00-000
ABDECKUNG LT
14180-02C00-000
ABDECKUNG LT
18110-02C00-000
ABDECKUNG LT
18411-18A03-000
ABDECKUNG LT
47157-02C00-000
.
02142-0635A-000
.
09112-06008-000
.
09112-08006-000
.
09280-32007-000
.
11351-02C00-000
.
11495-02C11-000
.
32101-02C10-000
.
32102-02C10-000
.
35100-02C30-000
.
35710-02C20-000
.
57300-02C20-000
.
68111-19B30-HW1
* FUSSDICHTUNG
11241-24402-000
SUZUKI, LTF 160 K6, LTF 160 K6
SUZUKI, LTF 160 K6, TRAEGER
SUZUKI, LTF 160 K6, HINTERER SCHWINGARM
SUZUKI, LTF 160 K6, GRIFF
SUZUKI, LTF 160 K6, FUSSSTUETZE
SUZUKI, LTF 160 K6, HINTERER KOTFLUEGEL
SUZUKI, LTF 160 K6, RAHMEN ABDECKUNG
SUZUKI, LTF 160 K6, VORDERER KOTFLUEGEL
SUZUKI, LTF 160 K6, SITZ
SUZUKI, LTF 160 K6, HINTERE BREMSE
SUZUKI, LTF 160 K6, GRIFFHEBEL
SUZUKI, LTF 160 K6, AUFHAENGUNGSARM
SUZUKI, LTF 160 K6, VORDERRAD BREMSE
SUZUKI, LTF 160 K6, SCHEINWERFERGEHAEUSE
SUZUKI, LTF 160 K6, HINTERRAD
SUZUKI, LTF 160 K6, VORDERRAD
SUZUKI, LTF 160 K6, LENKWELLE
SUZUKI, LTF 160 K6, ARM GELENK
SUZUKI, LTF 160 K6, ELEKTRIK
SUZUKI, LTF 160 K6, ZUENDMAGNET
SUZUKI, LTF 160 K6, ANLASSER
SUZUKI, LTF 160 K6, SCHEINWERFER
SUZUKI, LTF 160 K6, KABELBAUM
SUZUKI, LTF 160 K6, RUECKLICHT
SUZUKI, LTF 160 K6, BATTERIE
SUZUKI, LTF 160 K6, KURBELGEHAEUSE
SUZUKI, LTF 160 K6, KUPPLUNG
SUZUKI, LTF 160 K6, KURBELGEHAEUSE ABDECKUNG
SUZUKI, LTF 160 K6, DICHTUNGS SATZ
SUZUKI, LTF 160 K6, ZYLINDER
SUZUKI, LTF 160 K6, ZYLINDER KOPF
SUZUKI, LTF 160 K6, RUECKSTOSS STARTER OPTIONAL
SUZUKI, LTF 160 K6, VERGASER
SUZUKI, LTF 160 K6, GANGWECHSEL
SUZUKI, LTF 160 K6, GETRIEBE
SUZUKI, LTF 160 K6, KURBELWELLE
SUZUKI, LTF 160 K6, AUSPUFF
SUZUKI, LTF 160 K6, OEL PUMPE BENZIN PUMPE
SUZUKI, LTF 160 K6, LUFTFILTER
SUZUKI, LTF 160 K6, ANLASSER KUPPLUNG
SUZUKI, LTF 160 K6, STEUERKETTE
SUZUKI, LTF 160 K6, TREIBSTOFF TANK
SUZUKI, LTF 160 K6, NOCKENWELLE VENTIL

https://suzukiersatzteile.com/